熔噴計量齒輪泵在熔噴生產線中的作用
作者:鄭州巴特熔體泵有限公司 時間:2021-01-13 15:23:44
鄭州巴特作為專業提供熔噴計量齒輪泵、熔噴模頭計量泵、熔噴高溫計量泵的生產企業,針對市場對熔噴布設備需求的激增,鄭州巴特熔噴布計量泵廠家通過實行工人兩班倒,盡大努力為熔噴布生產企業提供專用的熔噴布計量泵。對于熔噴布制作工藝,鄭州巴特熔噴布計量泵廠家將在下文詳細闡述說明。

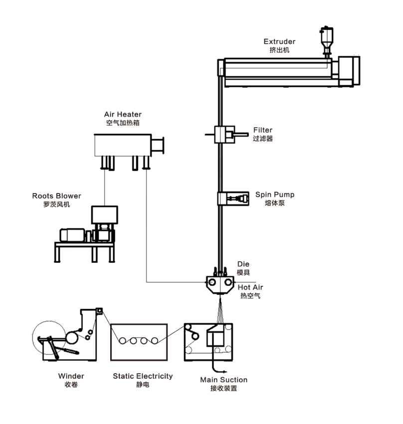
聚合物喂入 →熔融擠出→ 纖維形成→ 纖維冷卻成網→ 切邊卷繞→ 后處理。1、聚合物喂入。聚合物一般制成小球狀、顆粒狀的切片,倒入料桶或料斗,輸入螺桿擠出機。2、熔融擠出。在螺桿擠出機的進料端,聚合物切片要與添加劑等必需的原料,經過充分攪拌混合后進入螺桿擠出機,加熱成為熔體,經熔噴布換網器過濾熔體中雜質后,輸送到熔噴計量齒輪泵;熔噴計量齒輪泵主要作用,計量,控制產量和纖維的細度,將熔體連續均勻輸送到噴絲頭。在熔噴工藝中,一般擠出機也借其剪切作用與熱降解作用來降低聚合物的分子量。

3、纖維形成。經過濾的清潔熔體要經過分配系統,再均勻送入每組噴絲板,使每個噴絲孔的擠出量一致。熔噴纖維的噴絲板與其它紡絲成網法不同,噴絲孔必須排成一直線,上下兩側開有高速氣流的噴出孔。4、纖維冷卻。在噴絲板的兩側有大量的室溫空氣同時被吸入,與含有超細纖維的熱空氣流相混,使其降溫,熔融的超細纖維冷卻固化。5、成網。在熔噴法纖維非織造布生產中,噴絲板可以水平放置,也可以垂直放置。鄭州巴特專業的熔噴計量泵生產廠家,我們24小時服務熱線:0371-67993077
上一篇:反應釜齒輪泵|反應釜輸送泵|反應釜泵
下一篇:兩個方面提升熔體齒輪泵工作穩定性


